传感器分类
Product categories称重传感器_测力传感器

一、Features 主要特点
The sensor adopts alloy steel structure
Can be directly installed on the ground or on the basis of structure
Using cantilever sensor; a support bolt, equipment to prevent capsizing
Suitable for platform scale, mixing station, storage irrigation and batching scale etc.
传感器采用合金钢结构
可直接安装在地上或者基础结构上
使用悬臂梁传感器;支撑螺栓,防止设备倾覆
适用于平台秤、搅拌站、仓储灌和配料秤等
二、Capacities 量程
100kg、200kg、250kg、500kg、1t、2t、3t
三、Specification 技术参数
|
Rated Output |
额定输出 |
2.0mV/V ±0.1% |
|
Zero Balance |
零点平衡 |
±1% of rated output |
|
Creep after 30 minutes |
蠕变 |
±0.03% of rated output |
|
Nonlinearity |
非线性 |
±0.03% of rated output |
|
Repeatability |
重复性 |
±0.03% of rated output |
|
Temp. effect on output |
灵敏度温漂 |
≤0.002% of applied output/ºC |
|
Temp. effect on zero |
零点温漂 |
≤0.002% of applied output/ºC |
|
Safe Temp. Range |
可用温度范围 |
-10ºC to + 70ºC |
|
Temp. Compensated |
温度补偿范围 |
-10ºC to + 40ºC |
|
Safe Overload |
安全载荷 |
150% |
|
Input Impedance |
输入阻抗 |
387 ohm ± 20 ohm |
|
Output Impedance |
输出阻抗 |
350 ohm ± 5 ohm |
|
Rated Excitation |
推荐激励电压 |
10V DC/AC |
|
Maximum Excitation |
较大激励电压 |
15V DC/AC |
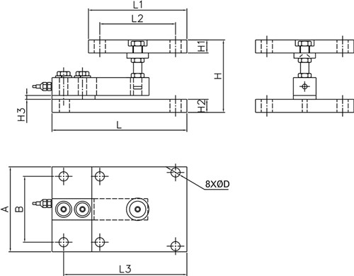
四、Dimensions 尺寸
|
量程 |
L |
L1 |
L2 |
L3 |
H |
H1 |
H2 |
H3 |
A |
B |
ΦD |
|
0.1-3t |
180.9 |
127 |
101.6 |
152.4 |
100-115 |
18 |
18 |
4.0 |
127 |
101.6 |
16 |